CLOSE
体验馆
伟业购
铝锭报价
采购中心
在线下单
加入我们
商务合作
服务专区
首页
伟业集团
集团介绍
组织架构
发展历程
资质荣誉
集团风貌
资讯中心
企业动态
展会信息
铝锭报价
采购中心
专题回顾
资料下载
产品导航
伟业铝材
伟家业
伟业铝家具
产品应用
建筑工程
装饰材料
交通运输
工业制造
智能制造
先进设备
生产体系
品控体系
研发创新
伟业学院
学院概况
课程安排
讲师团队
人力资源
人才策略
员工活动
最新招聘
商务合作
合作意向提交
经销商专区
网上合同录入
服务专区
服务网点
在线下单
联系总部
语言选择:
中
-
EN
首页
伟业集团
集团介绍
组织架构
发展历程
资质荣誉
集团风貌
资讯中心
企业动态
展会信息
铝锭报价
采购中心
专题回顾
资料下载
产品导航
伟业铝材
伟家业
伟业铝家具
产品应用
建筑工程
装饰材料
交通运输
工业制造
智能制造
先进设备
生产体系
品控体系
研发创新
伟业学院
学院概况
课程安排
讲师团队
人力资源
人才策略
员工活动
最新招聘
商务合作
合作意向提交
经销商专区
网上合同录入
服务专区
服务网点
在线下单
联系总部
En
MENU
体验馆
伟业购
铝锭报价
采购中心
在线下单
加入我们
商务合作
服务专区
En
中
EN
资讯中心
企业动态
Enterprise News
企业动态
展会信息
铝锭报价
采购中心
专题回顾
资料下载
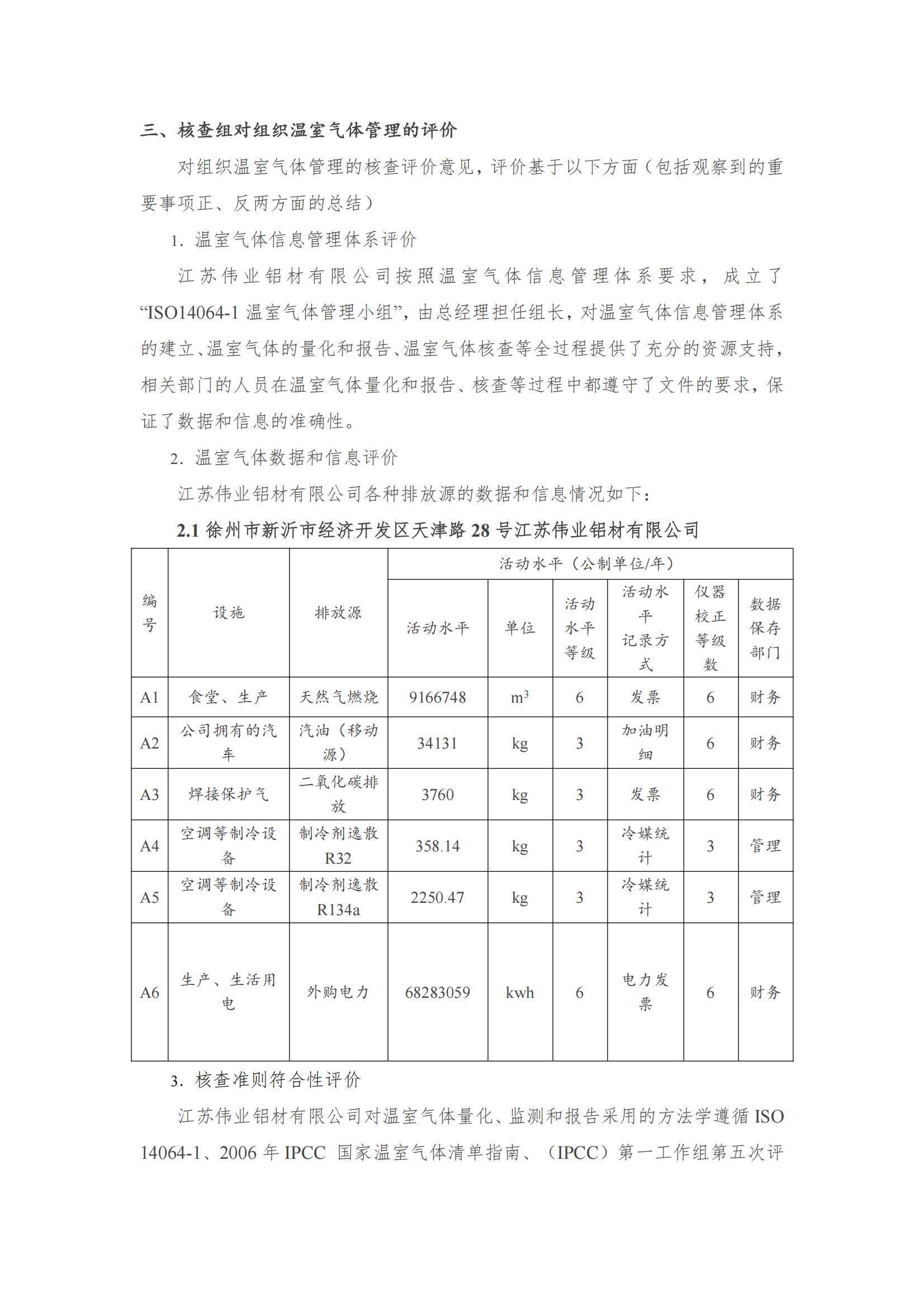
温室气体核查报告
字体大小:
小
中
大
更新日期:2025-08-14
此文关键字:
上一篇:
江苏伟业铝材有限公司危险废物污染防治责任信息公示
下一篇:
2024年度社会责任报告